This website requires JavaScript.
Explore
Help
Sign In
inksoul
/
InkSoul
Watch
1
Star
0
Fork
You've already forked InkSoul
0
Code
Issues
Pull Requests
Packages
Projects
Releases
Wiki
Activity
2f34c3c5af
InkSoul
/
static
/
images
/
408
/
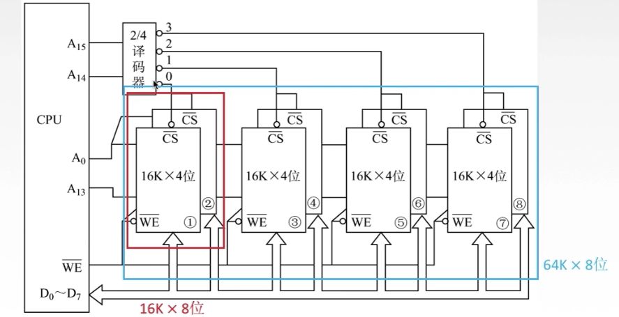
《计组》存储系统
/
字位同时扩展法.jpg
44 KiB
Raw
History